TECHNICAL INFORMATION
WORKING CONDITIONS
This catalogue shows technical specifications and diagrams measured through mineral oil of 46 mm2/s – 46cSt viscosity at 40°C - 104°F temperature.
|
Nominal flow rating |
|
120 l/min. |
|
|
Max. flow |
|
140 l |
|
|
Operating pressure (max.) |
|
250 bar |
3600 psi |
|
Max. back pressure |
on outlet port T |
20 bar |
290 psi |
|
Internal leakage A(B)®T |
Dp=100 bar – 1450psi with fluid and valve at 40°C |
3cm3/min. |
0.18 in3/min. |
|
Hydraulic fluid |
|
Mineral base oil |
|
|
Fluid temperature |
with NBR seals |
from - 20° to 80°C |
|
|
with FPM (VITON) seals |
from - 20° to 100°C |
|
|
|
Viscosity |
operating range |
from 15 to 75 mm2/s |
from 15 to 75 cSt |
|
Min. |
12 mm2/s |
12 cSt |
|
|
Max. |
400 mm2/s |
400 cSt |
|
|
Max. level of contamination |
|
19/16 – ISO 4406 |
|
STANDARD THREADS
REFERENCE STANDARD
|
|
|
BSP |
UN-UNF |
METRIC |
|
THREAD ACCORDING TO |
|
ISO 228/1 |
ISO 263 |
ISO 262 |
|
|
BS 2779 |
ANSI B1.1 unified |
|
|
|
CAVITY ACCORDING TO |
ISO |
1179 |
11926 |
9974-1 |
|
SAE |
|
J1926 |
|
|
|
DIN |
3852-2 shape X o Y |
|
3852-1 shape X o Y |
PORTS THREAD
|
MAIN PORTS |
BSP (ISO 228/1) |
OPTIONAL |
UN-UNF (ISO 11926-1) |
|
Inlet P |
G 3/4 |
G 1/2 |
1 1/16-12 UN-2B ( SAE 12) |
|
Ports A and B |
|||
|
Outlet T |
|||
|
CONTROL PILOT PORTS |
|||
|
Pneumatics |
G 1/8 |
- |
- |
|
Hydraulics |
G 1/4 |
- |
- |
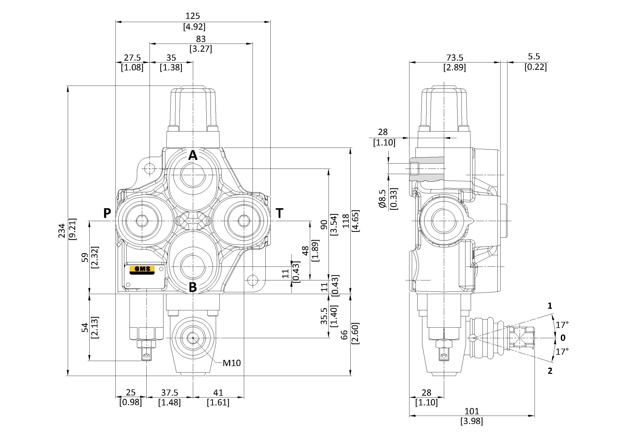
DIMENSIONAL DATA
APPLICATION AREAS
This 120L GT directional control valve group is commonly used for presses,wood splitters, fishing vessels.

